分体式液压千斤顶因其携带方便,坚固耐用,被工业领域广泛使用。根据千斤顶复位方式,可以分为单作用/双作用液压千斤顶。PA网址 秉承质量第一,服务至上的原则,一如既往的为广大新老客户提供高品质分体式千斤顶。
单作用液压千斤顶
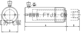
单作用液压千斤顶具有广泛的行程长度和举升能力范围,是维修,生产制造,建筑等作业的不错选择。所有的型号都有颈部螺纹,底部设计有安装孔,使得配套安装定位方便。
主要参数
- 承载能力
- 5~100T
- 工作行程
- 16~362mm
- 本体高度
- 41~493mm
单作用液压千斤顶特点:
- 外环螺纹和底部安装孔使得定位方便、安装便捷;
- 活塞和油缸内壁镀硬铬,防止刮伤和腐蚀;
- 高温烤漆,表面耐磨耐腐蚀及撞击;
- 单作用设计,高强度弹簧复位,能加速活塞的回缩;
- 防尘密封圈可减少污染,延长液压千斤顶使用寿命;
- 每个单作用千斤顶都有一个标准的3/8"接头和防尘盖。
- 顶部及柱塞底部均带有合金导向环,可吸收偏载力及延长千斤顶的使用寿命。
单作用液压千斤顶技术参数:

| 型 号 | 承载 能力 | 工作 行程B | 本体 高度A | 油缸 外径D | 活塞杆外径 | 底部安装孔 | 外环螺纹 | 活塞 内螺纹 | 顶帽 直径 mm | 工作 压力 | |
| 距离 | 螺纹 | ||||||||||
| FY-RC-5T-16 | 5T | 16 | 41 | 58 | 25 | 28 | 1/4"-20UN | 70MPa | |||
| FY-RC-5T-25 | 5T | 25 | 110 | 42 | 25 | 25 | 1/4"-20UN | 1又1/2"-16 | 3/4"-16 | 24 | |
| FY-RC-5T-30 | 5T | 30 | 95 | 42 | 25 | ||||||
| FY-RC-5T-75 | 5T | 75 | 150 | 42 | 25 | ||||||
| FY-RC-5T-76 | 5T | 76 | 165 | 48 | 30 | 25 | 1/4"-20 | M48×1.5 | M16 | 25 | |
| FY-RC-5T-100 | 5T | 100 | 195 | 42 | 25 | ||||||
| FY-RC-5T-127 | 5T | 127 | 218 | 48 | 30 | 25 | 1/4"-20 | M48×1.5 | M16 | ||
| FY-RC-5T-127 | 5T | 127 | 214 | 42 | 25 | 25 | 1/4"-20UN | M42×1.5 | 3/4"-16 | 25 | |
| FY-RC-5T-178 | 5T | 178 | 273 | 48 | 30 | 25 | 1/4"-20UN | M48×1.5 | M16 | 25 | |
| FY-RC-5T-232 | 5T | 232 | 323 | 48 | 30 | 25 | 1/4"-20UN | M48×1.5 | M16 | 25 | |
| FY-RC-10T-25 | 10T | 25 | 90 | 57 | 37 | 39 | 5/16"-18 | 2又1/4"-14 | #10-24UN | ||
| FY-RC-10T-54 | 10T | 54 | 133 | 57 | 37 | 39 | 5/16"-18 | 2又1/4"-14 | M24 | 35 | |
| FY-RC-10T-55 | 10T | 55 | 120 | 57 | 37 | 39 | 5/16"-18 | 2又1/4"-14 | |||
| FY-RC-10T-83 | 10T | 83 | 150 | 57 | 37 | 39 | 5/16"-18 | 2又1/4"-14 | |||
| FY-RC-10T-54 | 10T | 54 | 121 | 57 | 37 | 39 | 5/16"-18 | 2又1/4"-14 | 1"-8 | 35 | |
| FY-RC-10T-105 | 10T | 105 | 174 | 57 | 37 | 39 | 5/16"-18 | 2又1/4"-14 | M24×1.5 | 35 | |
| FY-RC-10T-130 | 10T | 130 | 252 | 63 | 40 | 40 | 5/16"-18 | M24×1.5 | 35 | 50MPa | |
| FY-RC-10T-156 | 10T | 156 | 247 | 57 | 37 | 39 | 5/16"-18 | 2又1/4"-14 | M24 | 35 | 70MPa |
| FY-RC-10T-203 | 10T | 203 | 298 | 57 | 37 | 39 | 5/16"-18 | 2又1/4"-14 | 1"-8 | 35 | |
| FY-RC-10T-258 | 10T | 258 | 360 | 63 | 40 | 40 | 5/16"-18 | M24 | 35 | 50MPa | |
| FY-RC-10T-257 | 10T | 257 | 349 | 57 | 37 | 39 | 5/16"-18 | 2又1/4"-14 | 1"-8 | 35 | 70MPa |
| FY-RC-10T-304 | 10T | 304 | 400 | 57 | 37 | 39 | 5/16"-18 | 2又1/4"-14 | 1"-8 | 35 | |
| FY-RC-10T-356 | 10T | 356 | 450 | 57 | 37 | 39 | 5/16"-18 | 2又1/4"-14 | 1"-8 | 35 | |
| FY-RC-15T-25 | 15T | 25 | 124 | 70 | 46 | 47 | 3/8"-16 | 2又3/4"-16 | 1"-8 | 42 | |
| FY-RC-15T-41 | 15T | 41 | 159 | 70 | 45 | 47 | 3/8"-16 | ||||
| FY-RC-15T-60 | 15T | 60 | 140 | 70 | 46 | 47 | 3/8"-16 | 2又3/4"-16 | |||
| FY-RC-15T-51 | 15T | 51 | 149 | 70 | 46 | 47 | 3/8"-16 | 2又3/4"-16 | 1"-8 | 42 | |
| FY-RC-15T-102 | 15T | 102 | 221 | 70 | 46 | 47 | 3/8"-16 | 2又3/4"-16 | 1"-8 | 42 | |
| FY-RC-15T-120 | 15T | 120 | 231 | 70 | 46 | 47 | 3/8"-16 | 2又3/4"-16 | 1"-8 | 42 | |
| FY-RC-15T-152 | 15T | 152 | 271 | 70 | 46 | 47 | 3/8"-16 | 2又3/4"-16 | 1"-8 | 42 | |
| FY-RC-15T-203 | 15T | 203 | 322 | 70 | 46 | 47 | 3/8"-16 | 2又3/4"-16 | 1"-8 | 42 | |
| FY-RC-15T-254 | 15T | 254 | 373 | 70 | 46 | 47 | 3/8"-16 | 2又3/4"-16 | 1"-8 | 42 | |
| FY-RC-15T-305 | 15T | 305 | 423 | 70 | 46 | 47 | 3/8"-16 | 2又3/4"-16 | 1"-8 | 42 | |
| FY-RC-15T-356 | 15T | 356 | 474 | 70 | 46 | 47 | 3/8"-16 | 2又3/4"-16 | 1"-8 | 42 | |
| FY-RC-20T-70 | 20T | 70 | 150 | 92 | 50 | 39 | M6 | ||||
| FY-RC-20T-100 | 20T | 100 | 180 | 92 | 50 | 39 | M6 | ||||
| FY-RC-20T-100 | 20T | 100 | 214 | 80 | 54 | 54 | 1/2"-13 | 3又1/8"-16 | M24 | 42 | |
| FY-RC-25T-26 | 25T | 26 | 140 | 85 | 57 | 58 | 1/2"-13 | 3又5/16"-12 | 1又1/2"-16 | 50 | |
| FY-RC-25T-51 | 25T | 51 | 165 | 85 | 57 | 58 | 1/2"-13 | 3又5/16"-12 | 1又1/2"-16 | 50 | |
| FY-RC-25T-102 | 25T | 102 | 219 | 85 | 57 | 58 | 1/2"-13 | 3又5/16"-12 | 1又1/2"-16 | 50 | |
| FY-RC-25T-158 | 25T | 158 | 275 | 85 | 57 | 58 | 1/2"-13 | 3又5/16"-12 | 1又1/2"-16 | 50 | |
| FY-RC-25T-210 | 25T | 210 | 325 | 85 | 57 | 58 | 1/2"-13 | 3又5/16"-12 | 1又1/2"-16 | 50 | |
| FY-RC-25T-260 | 25T | 260 | 375 | 85 | 57 | 58 | 1/2"-13 | 3又5/16"-12 | 1又1/2"-16 | 50 | |
| FY-RC-25T-311 | 25T | 311 | 427 | 85 | 57 | 58 | 1/2"-13 | 3又5/16"-12 | 1又1/2"-16 | 50 | |
| FY-RC-25T-360 | 25T | 360 | 475 | 82 | 56 | 55 | M12 | M82×2 | M36×2 | 50 | |
| FY-RC-25T-362 | 25T | 362 | 478 | 85 | 57 | 58 | 1/2"-13 | 3又5/16"-12 | 1又1/2"-16 | 50 | |
| FY-RC-30T-90 | 30T | 90 | 200 | 102 | 60 | 70 | 1/2"-13 | 4"-12 | 1又1/2"-16 | 50 | |
| FY-RC-30T-150 | 30T | 150 | 300 | 93 | 60 | 60 | M12 | ||||
| FY-RC-30T-210 | 30T | 210 | 387 | 102 | 60 | 70 | 1/2"-13 | 4"-12 | 1又1/2"-16 | 50 | |
| FY-RC-50T-51 | 50T | 51 | 176 | 127 | 80 | 95 | 1/2"-13 | 5"-12 | 71 | ||
| FY-RC-50T-101 | 50T | 101 | 227 | 127 | 80 | 95 | 1/2"-13 | 5"-12 | 71 | ||
| FY-RC-50t-159 | 50T | 159 | 282 | 127 | 80 | 95 | 1/2"-13 | 5"-12 | 65 | ||
| FY-RC-50T-337 | 50T | 337 | 423 | 127 | 80 | 95 | 1/2"-13 | 5"-12 | 65 | ||
| FY-RC-55T-105 | 55T | 105 | 235 | 135 | 80 | 110 | M10 | M135×3 | 80 | ||
| FY-RC-75T-156 | 75T | 156 | 285 | 146 | 95 | 5又3/4"-12 | 71 | ||||
| FY-RC-75T-334 | 75T | 334 | 493 | 146 | 95 | 5又3/4"-12 | 71 | ||||
| FY-RC-95T-168 | 95T | 168 | 357 | 177 | 105 | 139 | 3/4"-10 | 6又7/8"-12 | 71 | ||
| FY-RC-95T-260 | 95T | 260 | 449 | 177 | 105 | 139 | 3/4"-10 | 6又7/8"-12 | 71 | ||
| FY-RC-100T-100 | 100T | 100 | 184 | 165 | 90 | 76 | M8 | M165×2 | |||
单作用液压千斤顶应用场合:
单作用液压千斤顶可用于桥梁的顶升、钢结构的支撑、机器的维修以及配套设备中使用。
双作用液压千斤顶
双作用液压千斤顶适用于高吨位的举升作业,高要求精确控制物体升降及维修作业。在隧道管道水平推移安装作业中,它的液压复位设计能迅速而有效的将活塞缩回原来的位置,为推进下一根管子做好准备。
主要参数
- 承载能力
- 10~520T
- 工作行程
- 57~1219mm
- 本体高度
- 196~1644mm
双作用液压千斤顶特点:
- 双作用设计,液压复位;
- 内置式卸压阀防止突发性的超压;
- 可互换的硬处理沟槽为标准件配置;
- 高温烤漆表面耐腐蚀和撞击;
- 带环槽的鞍座防止负载物滑动;
- 活塞杆镀硬铬,保证千斤顶的高使用寿命;
- 装有防尘圈减少污染,延长液压千斤顶使用寿命;
- 每台双作用千斤顶都有两个标准的3/8"NPT接头和防尘盖。
双作用液压千斤顶技术参数:

| 型 号 | 承载 能力 |
工作 行程B |
本体 高度A |
油缸 外径D |
活塞杆外径F | 底部安装孔 | 外环螺纹 | 活塞 | 工作 压力 |
|
| 距离U | 螺纹 | 内螺纹 | ||||||||
| FY-RR-10T-200 | 10T | 200 | 355 | 75 | 35 | 2又1/4"-14 | 1"-8 | 70MPa | ||
| FY-RR-10T-254 | 10T | 254 | 409 | 73 | 35 | 2又1/4"-14 | 1"-8 | |||
| FY-RR-10T-305 | 10T | 305 | 457 | 73 | 35 | 2又1/4"-14 | 1"-8 | |||
| FY-RR-30T-209 | 30T | 209 | 387 | 101 | 55 | 3又5/16"-12 | 1又1/2"-16 | |||
| FY-RR-30T-368 | 30T | 368 | 550 | 101 | 55 | 3又5/16"-12 | 1又1/2"-16 | |||
| FY-RR-50T-156 | 50T | 156 | 331 | 130 | 65 | 5"-12 | 1"-12 | |||
| FY-RR-50T-200 | 50T | 200 | 350 | 130 | 65 | 5"-12 | 1"-12 | |||
| FY-RR-50T-334 | 50T | 334 | 510 | 130 | 75 | 5"-12 | 1"-12 | |||
| FY-RR-50T-511 | 50T | 511 | 733 | 127 | 80 | 76 | 1/2"-13 | 5"-12 | 1"-12 | |
| FY-RR-75T-156 | 75T | 156 | 347 | 146 | 95 | 5又3/4"-12 | 1"-12 | |||
| FY-RR-75T-200 | 75T | 200 | 391 | 146 | 95 | 5又3/4"-12 | 1"-12 | |||
| FY-RR-75T-334 | 75T | 334 | 525 | 146 | 95 | 5又3/4"-12 | 1"-12 | |||
| FY-RR-100T-168 | 100T | 168 | 358 | 175 | 95 | 140 | 3/4"-10 | 6又7/8"-12 | 1又3/4"-12 | |
| FY-RR-100T-334 | 100T | 334 | 524 | 175 | 95 | 140 | 3/4"-10 | 6又7/8"-12 | 1又3/4"-12 | |
| FY-RR-100T-450 | 100T | 450 | 680 | 185 | 95 | 140 | 3/4"-10 | 1又3/4"-12 | ||
| FY-RR-100T-461 | 100T | 461 | 687 | 185 | 95 | 140 | 3/4"-10 | 1又3/4"-12 | ||
| FY-RR-150T-57 | 150T | 57 | 196 | 203 | 115 | |||||
| FY-RR-150T-156 | 150T | 156 | 385 | 203 | 115 | 160 | 3/4"-16 | 8"-12 | 3又3/8"-16 | |
| FY-RR-150T-334 | 150T | 334 | 582 | 203 | 115 | 160 | 3/4"-16 | 8"-12 | 3又3/8"-16 | |
| FY-RR-150T-815 | 150T | 815 | 1116 | 203 | 115 | 3又3/8"-16 | ||||
| FY-RR-200T-152 | 200T | 152 | 430 | 247 | 130 | 130 | 1"-8 | |||
| FY-RR-200T-330 | 200T | 330 | 608 | 247 | 130 | 130 | 1"-8 | 9又3/4"-12 | 2又1/2"-12 | |
| FY-RR-200T-350 | 200T | 350 | 628 | 247 | 130 | 130 | 1"-8 | 9又3/4"-12 | 2又1/2"-12 | |
| FY-RR-200T-457 | 200T | 457 | 765 | 247 | 130 | 130 | 1"-8 | 9又3/4"-12 | 2又1/2"-12 | |
| FY-RR-200T-610 | 200T | 610 | 917 | 247 | 130 | 130 | 1"-8 | 9又3/4"-12 | 2又1/2"-12 | |
| FY-RR-200T-914 | 200T | 914 | 1222 | 247 | 130 | 130 | 1"-8 | 9又3/4"-12 | 2又1/2"-12 | |
| FY-RR-200T-1219 | 200T | 1219 | 1527 | 247 | 130 | 130 | 1"-8 | 9又3/4"-12 | 2又1/2"-12 | |
| FY-RR-325T-153 | 325T | 153 | 485 | 310 | 165 | 180 | 1又1/4"-7 | 12又1/4"-12 | 2又1/2"-12 | |
| FY-RR-325T-305 | 325T | 305 | 640 | 310 | 165 | 180 | 1又1/4"-7 | 12又1/4"-12 | 2又1/2"-12 | |
| FY-RR-325T-457 | 325T | 457 | 790 | 310 | 165 | 180 | 1又1/4"-7 | 12又1/4"-12 | 2又1/2"-12 | |
| FY-RR-325T-915 | 325T | 609 | 943 | 310 | 165 | 180 | 1又1/4"-7 | 12又1/4"-12 | 2又1/2"-12 | |
| FY-RR-325T-915 | 325T | 915 | 1247 | 310 | 165 | 180 | 1又1/4"-7 | 12又1/4"-12 | 2又1/2"-12 | |
| FY-RR-325T-1219 | 325T | 1219 | 1552 | 310 | 165 | 180 | 1又1/4"-7 | 12又1/4"-12 | 2又1/2"-12 | |
| FY-RR-440T-152 | 440T | 152 | 538 | 358 | 190 | 203 | 1又1/2"-6 | 14又1/8"-8 | 3"-12 | |
| FY-RR-440T-305 | 440T | 305 | 690 | 358 | 190 | 203 | 1又1/2"-6 | 14又1/8"-8 | 3"-12 | |
| FY-RR-440T-457 | 440T | 457 | 843 | 358 | 190 | 203 | 1又1/2"-6 | 14又1/8"-8 | 3"-12 | |
| FY-RR-440T-610 | 440T | 610 | 995 | 358 | 190 | 203 | 1又1/2"-6 | 14又1/8"-8 | 3"-12 | |
| FY-RR-440T-914 | 440T | 914 | 1300 | 358 | 190 | 203 | 1又1/2"-6 | 14又1/8"-8 | 3"-12 | |
| FY-RR-440T-1219 | 440T | 1219 | 1605 | 358 | 190 | 203 | 1又1/2"-6 | 14又1/8"-8 | 3"-12 | |
| FY-RR-520T-153 | 520T | 153 | 577 | 397 | 200 | 203 | 1又3/4"-5 | 15又5/8"-8 | 3又1/4"-12 | |
| FY-RR-520T-305 | 520T | 305 | 730 | 397 | 200 | 203 | 1又3/4"-5 | 15又5/8"-8 | 3又1/4"-12 | |
| FY-RR-520T-457 | 520T | 457 | 882 | 397 | 200 | 203 | 1又3/4"-5 | 15又5/8"-8 | 3又1/4"-12 | |
| FY-RR-520T-609 | 520T | 609 | 1035 | 397 | 200 | 203 | 1又3/4"-5 | 15又5/8"-8 | 3又1/4"-12 | |
| FY-RR-520T-915 | 520T | 915 | 1339 | 397 | 200 | 203 | 1又3/4"-5 | 15又5/8"-8 | 3又1/4"-12 | |
| FY-RR-520T-1219 | 520T | 1219 | 1644 | 397 | 200 | 203 | 1又3/4"-5 | 15又5/8"-8 | 3又1/4"-12 | |
双作用液压千斤顶应用场合:
双作用液压千斤顶可用于大型机械的维修顶升、桥梁的整体顶升、水电厂闸门的维修顶升、钢结构的顶升以及配套设备的安装等场合。
Copyright @ 2009-2014 [PA网址:haiyiren.com] 江苏PA网址
机械制造有限公司 All rights reserved.
网站地图









